Video Pinball #03: Reparo e Testes no Conjunto de Força
Após realizar a inspeção do gabinete de arcade Video Pinball, da Atari, e perceber que havia um porta-fusível quebrado, o próximo passo foi retirar o conjunto de força do gabinete e colocá-lo na bancada para uma inspeção cuidadosa. A forte presença de oxidação já indicava que este gabinete havia sido exposto à umidade:

Os porta-fusíveis de chassis exigem que o fusível seja pressionado para baixo e rosqueado, exercendo pressão na tampa. Com o passar do tempo, é bastante comum que o metal da tampa que faz contato com o corpo do porta-fusíveis se quebre, deixando um pedaço solto e inutilizando a peça.

Os porta-fusíveis de chassis fabricados recentemente possuem a aba metálica mais larga, enquanto os antigos afunilam para encaixar em conectores de menor tamanho. A parte mais demorada da troca do porta-fusível é crimpar os cabos com novos conectores fêmea para o perfeito encaixe nas novas abas. De qualquer forma, este seria um conserto temporário para testar a máquina. Posteriormente, durante o processo de restauração do arcade, é recomendado trocar todos os porta-fusíveis.






O primeiro teste foi negativo, então resolvi verificar a entrada de energia e percebi que estava zerada, o que me levou a testar a tomada e, aí então, perceber que um disjuntor havia caído. Esse é o tipo de problema que faz você perder tempo, pois nunca se espera que a tomada esteja com problemas.



Resolvida a questão da energia, eis o primeiro teste do Video Pinball, arcade da Atari:
Os LEDs do tabuleiro estavam acendendo, o que era um bom sinal. Porém, sem jogo na tela, teríamos que descobrir se havia defeito na placa ou no monitor. O cenário então era: monitor com glow no pescoço (sempre positivo), PCB devidamente conectada e somente os LEDs funcionando.



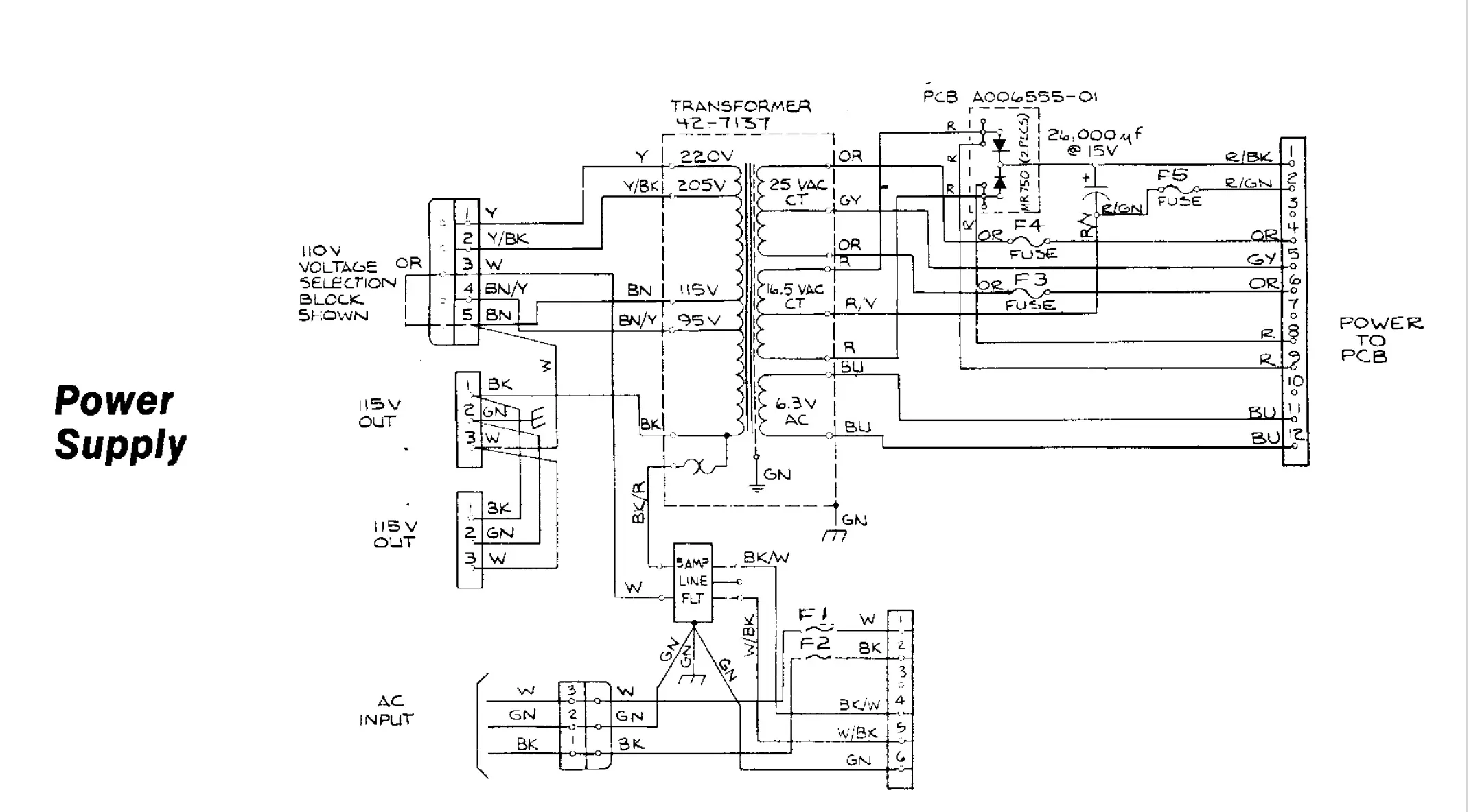
Passei para a realização de testes de saída de voltagem nos pinos de saída do power brick. Achei o diagrama técnico um pouco confuso, e as voltagens, difíceis de corresponderem exatamente. Mas eu já vi isso acontecer outras vezes em circuitos não regulados e também quando, ao conectar componentes antigos, a corrente cai ligeiramente.

Os valores que eu estava obtendo eram próximos a 12DC, 14AC e, o mais estranho, 3,9AC (creio que deveria ser 6,3AC, conforme o diagrama).

Lembrando que este conjunto de força não gera 5VDC para alimentar a PCB, pois ela recebe corrente AC e realiza a conversão na própria placa, um modelo defasado e problemático que incrivelmente a Atari ainda utilizou neste gabinete de 1979, quando já havia muitas outras tecnologias disponíveis, incluindo a geração de corrente contínua pelo monitor, que o modelo do Video Pinball, inclusive, suportava.






Após esta verificação, e especialmente com a última voltagem um pouco estranha, fiz nova inspeção e descobri mais um porta-fusíveis quebrado, desta vez no plástico.


Tudo isso mostra o que já foi discutido em outros capítulos sobre restauração de arcades antigos – alguns restauradores não dominam a parte eletrônica e focam seus esforços na restauração estética. Ou seja, mesmo comprando um gabinete teoricamente restaurado, este jogo precisaria de muito trabalho para finalmente ser colocado em uso.
Com a troca do segundo porta-fusíveis quebrado, nada mudou, apenas a voltagem AC final subiu para 4,4V.
Este post é parte de uma série. Os capítulos anteriores são: Post Introdutório: A Fantástica História por Trás do Arcade Video Pinball, 01 – Como Consegui um Gabinete de Video Pinball e 02 – Inspeção no Brasil: um Caos Completo.
O próximo post é o 04 – Testando o Monitor e a PCB.